一、潛水回流泵的產品簡介:
 |
|
潛水回流泵 |
|
QWH型潛水回流泵是在潛水攪拌機生產技術上開發的新型產品,該泵為二級污水處理廠混合液回流,反硝化脫氮的專業設備,亦可以用于地面排水時抽凈化水,灌溉和控制水道系統,廢水處理過程中再循環或泥漿抽吸回路中需要微揚程,大流量場所。
二、潛水回流泵的結構簡介:
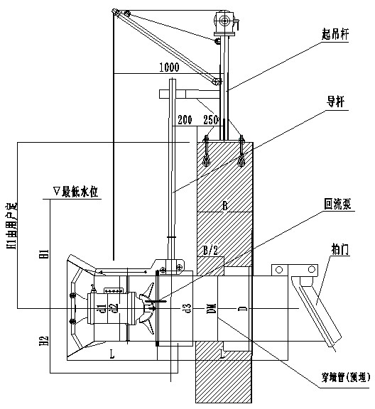
a:三相電機,380V三相50HZ,防護等級IP68,定子絕緣等級F級,直接啟動。
b:軸承——用終身潤滑軸承,NSK或SKF原裝進口品牌,使用壽命超過40000小時。
c:葉輪——回流泵配技術先進的軸向運行的三葉輪,葉輪具有良好的自清潔與免震動功能。葉輪的設計同時可以滿足大流量與低揚程的要求,并在軸向形成大流量。
d:密封——采用潛水電機密封技術,確保密封安全可靠。
e:密封監測——當水進入油室后,探頭側漏系統中的濕度傳感器將自動發出報警信號,以便及時查出,防止出現第二次故障。
f:溫度監測——電機繞組采用過熱保護工藝,一旦由于電機過載,介質溫度過高或其他原因造成過熱,溫度傳感器會在溫度超過許用溫度極限以前及時發出報警信號或自動關閉水泵。
g:自動耦合系統——回流泵配單根導軌自動耦合系統,保證快捷的安裝、提升和維護。
三、QWH系列潛水回流泵的三大特點:
第一:微揚程,大流量;第二:無堵塞,高效率;第三:全不銹鋼結構,耐腐蝕性強;
四、產品說明:
配用功率:1.5-22KW 葉輪直徑:400-640mm 絕緣等級:F 材質:鑄造全不銹鋼/普通鑄鐵款(可根據客戶要求定做)
五、潛水回流泵的安裝系統圖:
潛水回流泵的選型表:
|